在线询价

搜索信息

产品展示
首页 > 产品展示
激光测距模块SFA1500A 价格: 编号:SFA1500A

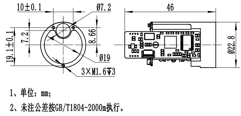
SFA1500A 是一款小型化、高精度的工业级激光测距模块,最大测距可达 1500 米(大目标,能见度≥10km),在 ≤400 米范围内精度可达 ±1m,支持单次与连续测距模式,准测率≥98%。 产品采用 人眼安全激光波段,接口为 RS422,具备 低功耗、抗强光干扰、体积小巧 等特性,重量轻,便于集成到各种平台中,广泛应用于 无人机测绘、安防监控、港口航道监测、工业测量 等领域。

在线询价
详细内容 规格参数 产品包装

  • 核心卖点

    • 超远距离测量:该测距机的测距能力≥1500 米(大目标),能够满足户外远程测距的需求,例如在测绘与林业勘探中,可对远距离的地形、林地等进行测量。

    • 高精度输出:其测距精度在 300 米内为 ±1m,300 米及以上为 ±2m,准测率≥98%,虚警率≤2%,能为各种应用提供可靠的数据支持,如在工业测量中,可精确测量距离、堆高测量等。

    • 小型化轻量化:尺寸≤φ23×46mm,重量≤20g,这样的设计使其非常适合集成到无人机、机器人等对空间和重量有严格要求的平台中。

    • 多频率测距模式:支持单次、1Hz、2Hz、连续测距模式,数据实时输出,用户可以根据不同的应用场景和需求选择合适的测距模式。

    • 低功耗节能:平均功耗≤0.5W@3.3V,待机功耗≤0.4W,低功耗特性使得该测距机适合电池供电设备长时间运行,延长了设备的续航时间。

    • 稳定通信接口:采用 TTL 串口通讯,波特率 115200bps,易于与上位机或嵌入式系统对接,方便实现数据的传输和控制。

  • 功能特点

    • 测距模式多样:具备激光单次测距和多频连续测距(1Hz、2Hz可选)功能,可满足不同场景下的测距需求。

    • 模块化设计:便于快速集成到多类型设备中,提高了设备的开发和应用效率。

    • 抗干扰能力强:工作波段为 905nm±10nm,该激光波段具有较强的抗干扰能力,能在复杂环境中稳定工作。

    • 宽温适应:可在 - 20℃~+60℃的环境下工作,满足多种户外环境的使用要求。

    • 光学性能良好:光学镜片经过镀膜增透处理,透过率≥99.5%,保证了激光的发射和接收效率,从而提高了测距的准确性。

  • 应用范围

    • 无人机航测与避障:可精确探测目标距离,提高飞行安全,例如在航测过程中,能准确测量地形高度等信息,在避障时,可及时发现障碍物并测量距离。

    • 安防与周界防护:用于监控范围测距与入侵检测,当有物体进入监控范围时,可准确测量其距离,为安防系统提供可靠的数据。

    • 机器人与 AGV 导航:实现精准定位与路径规划,使机器人和 AGV 能够在复杂环境中准确地移动和作业。

    • 工业测量与仓储物流:可进行距离检测、堆高测量、自动化控制等,在仓储物流中,能测量货架之间的距离、货物的堆高,优化仓库布局和货物存储方式。

    • 测绘与林业勘探:适用于地形勘测、林地调查等,帮助工作人员快速、准确地获取地形和林地的相关数据。

  • 技术规格

    • 测距盲区:≤10m。

    • 电源电压:3V~5V(典型 3.3V)。

    • 资质与服务:符合国内激光安全相关标准,提供一年质保 + 终身技术支持。


© 2026 盛飞光速科技(成都)有限公司  All Rights Reserved.   备案号:蜀ICP备2025128942号-1 腾云建站仅向商家提供技术服务