SFB4000R 型激光测距机采用 1535nm 铒玻璃激光器,符合 Class1/1M 人眼安全标准,最大测程 ≥4公里,精度 ±2米,测准率高达98%。该产品体积小、重量轻、功耗低,适用于无人机、车载系统、吊舱平台以及安防监控等领域。
远距离测距:单脉冲激光测距,最大测程≥4km。
高稳定性:激光光轴稳定性≤0.3mrad,保证测量精度。
人眼安全:1535nm 激光,国际 Class1/1M 标准。
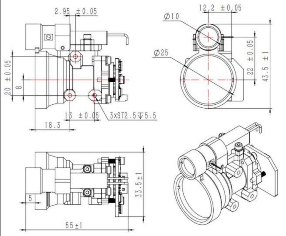
轻量化设计:体积≤55×34×45mm,重量≤75g,易于集成。
多种通讯接口:RS-422/TTL 通讯,支持上位机软件与二次开发。
低功耗运行:额定功耗≤3.5W,峰值功耗≤7W。
全环境适应:-40℃~+70℃宽温工作,满足户外复杂环境。
智能通讯协议:支持自检、温度监测、脉冲上报、连续 / 单次测距模式。
单次测距与连续测距模式(1Hz/5Hz/10Hz)
自检功能,实时反馈设备状态
温度监测与上报,保证运行安全
脉冲计数与产品标识上报
二次开发支持,提供通讯协议和上位机测试软件
无人机测绘:航测、环境巡检、地形探测
车载系统:防撞预警、导航测距
光电吊舱:目标跟踪与锁定
安防监控:远距离探测与监控
工业与科研:自动化控制、仓储测距、科研实验
军工及特种应用:复杂环境下的远距离精确测距
通过 RS-422/TTL 接口与上位机连接;
选择测距模式(单次 / 连续),获取实时距离数据;
使用自检功能确认设备状态;
保持光学窗口清洁,避免强反射物体进入光路;
长期存放请断电并保持干燥防潮环境。
人眼安全认证:符合国际 Class1/1M 标准
可靠性保证:通过高低温、冲击、振动等测试
企业背书:盛飞光速科技(成都)有限公司,光电系统研发与制造企业,军工及工业领域长期合作伙伴
微型激光测距机 SFA2000C
SFD-10K型激光测距机
微型激光测距机SFA2000B
手持激光测距仪(6km / 8km / 10km / 12km 系列)
VOx非制冷双目热像仪
微型激光测距机SFA600A
中型激光测距机SFB20000A
小型激光测距机SFB1500AW
首页
电话
留言
回到顶部