在线询价

搜索信息

产品展示
首页 > 产品展示
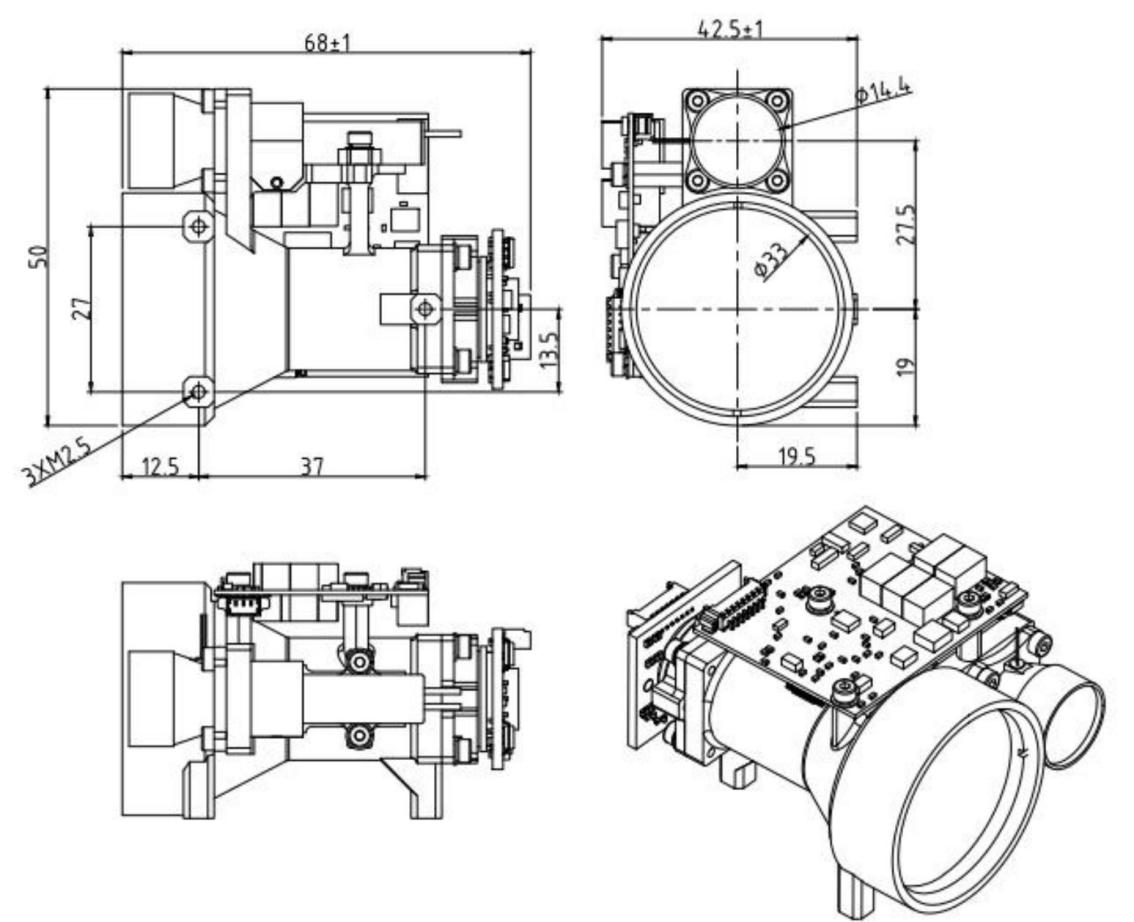
1535nm激光测距机 SFB8000R 价格: 编号: SFB8000R

SFB8000R 型激光测距机采用 1535nm 激光器,符合人眼安全标准,测程可达 8公里,有效起测距离约 30米,精度高达 ±1米,体积紧凑、重量轻,适合多平台集成。该产品特别适用于光电吊舱、无人机平台、地面监测与手持设备,在复杂环境下依旧保持稳定可靠。

在线询价
详细内容 规格参数 产品包装

核心卖点

  • 远距离测程:优良能见度条件下,有效测程可达 8km。

  • 高精度测量:测距精度≤±1m,准测率≥98%。

  • 人眼安全:1535nm 激光波长,符合国际激光安全标准。

  • 轻量化设计:重量≤100g,尺寸≤68×42.5×50mm,方便集成于小型平台。

  • 高频率适配:测距频率 1Hz~10Hz 可调,支持单次与连续测距。

  • 环境适应强:-40℃~+60℃宽温运行,抗振动、抗冲击设计。

  • 稳定通讯:RS422 接口,波特率 115200bps,支持自检、脉冲统计和数据上报。

  • 功能介绍

  • 单次测距与连续测距模式;

  • 激光脉冲累计计数;

  • 自检功能(上电、启动、周期自检);

  • 温度与状态反馈,实时运行监控;

  • 提供二次开发协议,便于集成上位机系统。

应用范围

  • 无人机平台:航测、环境巡检、测绘探测;

  • 光电吊舱:目标锁定与远距离测距;

  • 地面基站:远程监控、安防探测;

  • 手持设备:野外勘探、科学研究、执法监测;

  • 军工与特种应用:复杂环境下的高精度远距离探测。

使用说明(简述)

  • 将测距机通过 RS422 接口接入上位机;

  • 按照通讯协议选择测距模式(单次 / 连续);

  • 开机后自检,确认状态正常;

  • 保持光学镜头清洁,避免光路遮挡;

  • 使用及存储时避免强烈冲击,长期存放需防潮、防静电。

技术规格

指标参数
激光波长1535nm ±5nm
测程范围有效测程可达 8km
有效起测距离约 30m
测距精度≤±1m
准测率≥98%
激光束散角≤0.3 mrad
测距频率1Hz ~ 10Hz 可调
连续测距时间≥30 min
电源电压DC 9V ~ 15V
功耗≤3.5W(稳态),峰值≤8W
外形尺寸≤68 × 42.5 × 50 mm
重量≤100 g
通讯接口RS422,波特率 115200bps
工作温度-40℃ ~ +60℃
存储温度-50℃ ~ +70℃
环境适应通过振动、冲击测试,符合军工标准 GJB-150

资质与保障

  • 人眼安全:1535nm 激光,国际标准认证;

  • 军工级可靠性:通过振动与冲击试验(40g 加速度测试);

  • 环境耐久性:宽温度区间,满足户外及特种环境使用;

  • 企业保障:盛飞光速科技(成都)有限公司研发制造,长期服务于军工、工业和科研领域。



© 2026 盛飞光速科技(成都)有限公司  All Rights Reserved.   备案号:蜀ICP备2025128942号-1 腾云建站仅向商家提供技术服务