1535nm 激光波长处于眼睛安全窗口与大气窗口间,脉冲能量≥200μJ,测距范围达 3 - 8 公里,广泛用于激光目标指示、测距、照明、固态激光测距仪、激光雷达系统、医疗及光纤通信等场景。
| 参数类别 | 技术指标 |
|---|
| 激光波长 | 1535 nm |
| 人眼安全等级 | Class 1 |
| 激光能量 | ≥200 μJ |
| 激光脉冲宽度 | 4 ns |
| 激光频率 | 1~10 Hz |
| 激光稳定性 | 10% |
| 原始光束直径 | 0.2 mm |
| 光束扩散角 | 10 mrad |
| 波束模式 | TEM₀₀ |
| 工作温度 | -45℃~+65℃ |
| 储存温度 | -55℃~+85℃ |
| 冲击 | 1500 G, 0.5 ms |
| 振动 | 20~2000Hz/20 G |
| 使用寿命 | >5 million times |
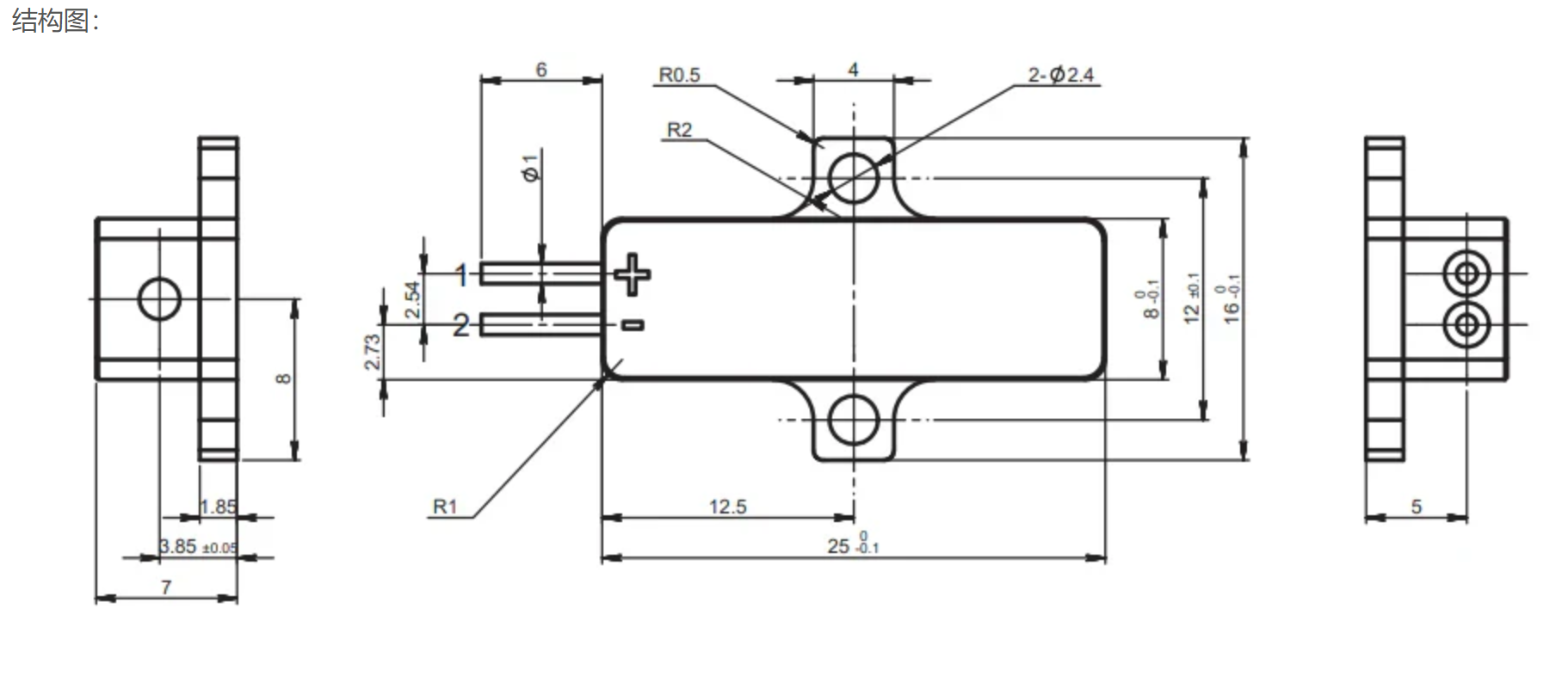
| 尺寸 (mm) | 25×8×7 |
| 重量 | 8 g |
| 电压 | 2 V |
| 电流 | 12 A |
| 驱动脉冲宽度 | ≥2 ms |