在线询价

搜索信息

产品展示
首页 > 产品展示
激光测距模块SFB7300A 价格: 编号:SFB7300A

SFB7300A 是一款高性能、超远距离的工业级激光测距模块,最大测距可达 7300 米(大目标,能见度≥10km),在 ≤400 米范围内精度可达 ±1m,支持单次与连续测距,准测率≥98%。 采用 人眼安全激光波段,配备 RS422 接口通信,重量仅 ≤128g,具有 低功耗、抗干扰、体积小巧 等优势,广泛应用于 无人机航测、边境安防、港口航道监控、工业测量 等领域。

在线询价
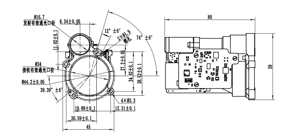
详细内容 规格参数 产品包装

产品卖点

  1. 远距离测量:最大测程≥7300米,满足复杂环境下的大目标远程测距需求。

  2. 高精度稳定:测距精度±1米,准测率≥98%

  3. 轻量化设计:整机重量≤125g,体积紧凑,便于集成到无人机和光电吊舱。

  4. 低功耗表现:待机≤0.5W,平均功耗≤2W,适合电池供电平台。

  5. 多测距模式:支持单次、1Hz5Hz测距,灵活应对不同应用场景。

  6. 首末目标测距:一次测量可输出两个不同目标的距离。

  7. 距离选通功能:可设定测距阈值,过滤无关目标回波。

  8. 人眼安全1535nm波段,符合Class 1安全标准。

  9. 环境适应性强-40+60稳定运行,存储温度-55+70

 

功能说明

  • 激光测距功能:单次、1Hz5Hz测距。

  • 自检与温度采集:支持环境温度与模块状态检测。

  • 首末目标测距:一次测距获取首目标与末目标。

  • 距离选通:通过指令设置阈值,剔除低于阈值的无效目标。

  • 累计出光次数统计:便于寿命与使用管理。

  • 串口程序更新RS422接口支持远程升级 。

 

应用范围

  • 无人机测绘巡检:轻量化与远距离能力,适合长航时挂载。

  • 光电吊舱与监控:增强远距离识别与测距能力。

  • 车载光电平台:适配智能交通与特种车辆。

  • 手持设备:为便携式远程测距提供支持。

  • 安防与军警应用:远程监视、定位与安防监控 。

 

使用过程(操作步骤)

  1. 开机:按电气接口要求连接电源、上位机与通信电缆,接通电源即可。

  2. 测距操作

    • 单次测距:发送单次指令,返回目标距离。

    • 1Hz测距:发送命令,每秒返回一次测距数据。

    • 5Hz测距:发送命令,每秒返回五次数据。

    • 停止测距:发送停止指令结束测量。

  3. 自检操作:发送自检命令,模块返回温度与工作状态。

  4. 关机:确认任务完成后,断开电源 。

 

技术规格

参数类别

技术指标

工作波段

1535nm ±10nm

最大测程

≥7300m2.3m×4.6m靶板,能见度≥12km,湿度≤60%

最小测程

≤20m(盲区)

测距精度

±1m

准测率

≥98%

距离分辨率

≤50m

测距频率

单次、1Hz5Hz

重量

≤125g

尺寸

≤80×58.5×45mm

电源电压

6V9V

功耗

待机≤0.5W,平均≤2W

工作温度

-40+60

存储温度

-55+70

接口

RS422串口

认证

符合GJB 150.16A-2009GJB2485-95等标准

 

资质认证与售后

  • 人眼安全认证1535nm激光,符合Class 1标准。

  • 军标标准:设计符合GJB 150.16A-2009GJB2485-95等军用规范。

  • 售后保障:盛飞光速提供1年质保+终身技术支持,支持返厂检测与维修 。


© 2026 盛飞光速科技(成都)有限公司  All Rights Reserved.   备案号:蜀ICP备2025128942号-1 腾云建站仅向商家提供技术服务