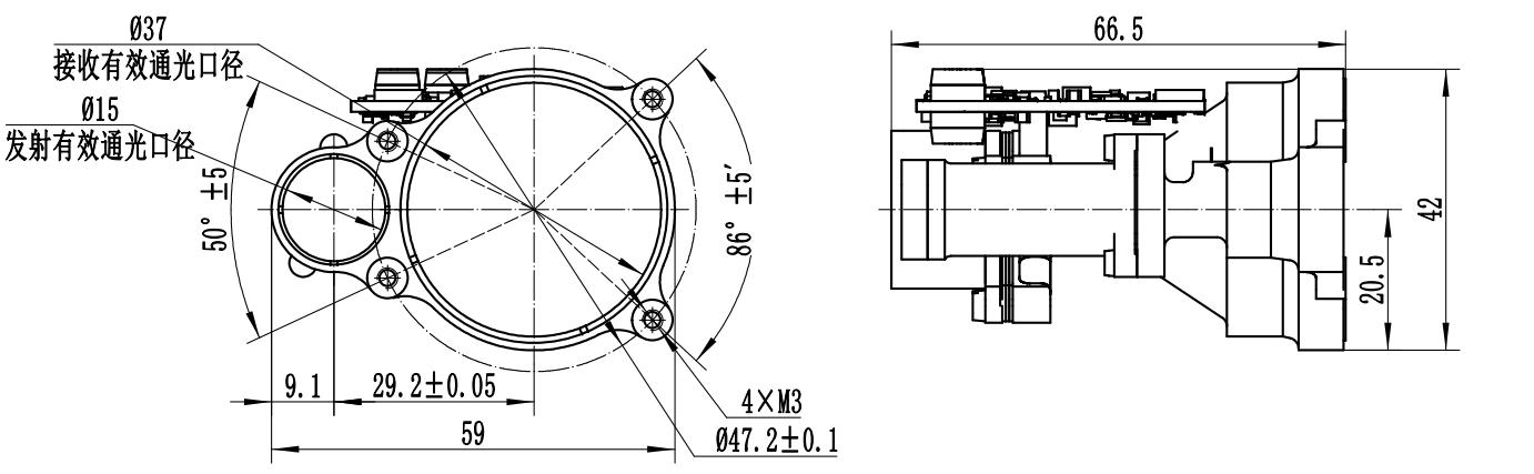
SFB9500A小型激光测距机是盛飞光速科技(成都)有限公司自主研发的旗舰级远距离激光测距模块,采用1535nm人眼安全激光,在能见度≥12km、湿度≤60%条件下,最大测程可达9500米,精度优于±1米,准测率≥98%。模块体积紧凑(66×59×42mm)、重量≤102g,支持RS422/TTL接口通讯,具备首末目标测距、距离选通、自检和波特率设置等功能,适用于无人机、光电吊舱、车载与安防领域。
产品卖点
超远距离测量:最大测程≥9500米,行业领先。
高精度稳定:精度±1米,准测率≥98%。
轻量化小型化:重量≤102g,尺寸≤66×59×42mm。
多模式测距:支持单次、1Hz、5Hz测距。
首末目标测距:一次测量获取两个不同目标距离。
距离选通功能:过滤无效回波,提升测量准确性。
低功耗运行:平均功耗≤3W,待机功耗≤0.001W。
强环境适应性:-40℃~+60℃工作,-55℃~+70℃存储。
人眼安全:1535nm波段,符合Class 1等级。
接口灵活:支持RS422/TTL通讯,波特率可调(9600~115200bps)。
功能说明
激光测距功能:单次、1Hz、5Hz多频率测距。
自检功能:上电及命令触发,返回环境温度与状态。
首末目标测距:一次测距输出首目标和末目标数据。
距离选通功能:设置阈值,屏蔽无效测距信号。
波特率设置:支持四档波特率选择(9600/38400/57600/115200bps)。
累计出光次数:便于寿命与使用管理。
应用范围
无人机测绘与巡检:轻量化设计,满足长航时应用。
光电吊舱与监控系统:增强远距离识别与测距能力。
车载光电平台:适配交通监控与特种车辆作业。
手持光电设备:便携式远程测距方案。
安防与军警:远程监视、目标定位与侦察。
使用步骤
开机:连接电源、上位机与通讯电缆后通电即可。
测距:
单次测距:发送单次指令,返回目标距离。
1Hz/5Hz测距:按需发送命令,连续输出数据。
停止测距:发送“停止”指令即可。
自检:发送“自检”命令,返回温度与状态信息。
波特率设置:发送设置命令,切换波特率。
关机:任务完成后,断开电源。
技术规格
参数类别
技术指标
工作波段
1535nm ±10nm
最大测程
≥9500m(2.3×4.6m靶板,能见度≥12km,湿度≤60%)
最小测程
≤80m(盲区)
测距精度
±1m
准测率
≥98%
距离分辨率
≤50m
测距频率
单次、1Hz、5Hz
重量
≤102g
尺寸
≤66×59×42mm
电源电压
5V~14V
功耗
待机≤0.001W,平均≤3W
工作温度
-40℃~+60℃
存储温度
-55℃~+70℃
接口
RS422/TTL(二选一),支持波特率9600~115200bps
认证
符合GJB 150.16A-2009、GJB2485-95 等军工规范
资质认证与售后
人眼安全认证:1535nm波段,符合IEC 60825-1 Class 1标准。
军标标准:设计参考GJB 150.16A-2009、GJB2485-95。
售后保障:1年质保+终身技术支持,支持返厂检测与维修。
微型激光测距机 SFA2000C
SFD-10K型激光测距机
微型激光测距机SFA2000B
手持激光测距仪(6km / 8km / 10km / 12km 系列)
VOx非制冷双目热像仪
微型激光测距机SFA600A
中型激光测距机SFB20000A
小型激光测距机SFB1500AW
首页
电话
留言
回到顶部